400X流量(liàng)控製閥
全方位檢測(cè)!
讓利於客戶(hù)!
縮短了交貨期(qī)!

400X流(liú)量控(kòng)製(zhì)閥結構特點和(hé)用途(tú)
400X流量控製閥由主閥、流量調節閥、針閥、導閥、球閥、微形過濾器和壓力表組成水力控製接(jiē)管係統。利用水力自動操作,控製和調節主閥開度,使通過(guò)主閥的流量保持不變。
本產品利用水力自力控製,不(bú)需要其它裝置和能源,保養簡便,流量控製穩定。
本係(xì)列閥(fá)門產品廣泛用(yòng)於高層建築、生活(huó)區等供(gòng)水管網係統及城市供水工程(chéng)。
400X流量控製閥工作原理
當閥門(mén)從進口端給水時,水流過針閥進入主閥控製室,並經過導閥、球閥流出主閥控製室到出口,此時主閥處於全開或浮動狀態。調定主閥上部的流量(liàng)調節閥,可為主閥設定一定開度。調節針(zhēn)閥開度和(hé)調節導閥彈(dàn)簧壓力,即可使主閥開度保持在設定開度,並在壓力變(biàn)化時導閥(fá)進行自動調節,保持流量不變。
400X流量控製(zhì)閥主(zhǔ)要技術參數
△P2P1
△P2P1
400X流量控製閥主要零件材(cái)料

400X流量控(kòng)製閥部件列表:
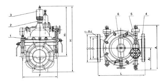
1、球閥2、導閥3、流量調節閥4、主(zhǔ)閥5、壓力表6、針閥
400X流(liú)量控製閥連接尺寸
PN1.6 PN1.6 PN1.6 PN1.6
mm
mm
mm
400X流量控製閥安裝示意圖
相關水力控製閥產品係列:







