300X緩閉止回閥
全方位檢(jiǎn)測(cè)!
讓利於客戶!
縮短了交貨期!
300X緩閉止回閥結構(gòu)特點和用途

300X緩閉止回閥由主閥、單向閥、針閥、球閥(fá)、微(wēi)形過(guò)濾器和壓力表組成水力(lì)控製接管係統。利用水力自動操作,可使主閥得到佳的開啟(qǐ)或(huò)關閉速度。防止水鍾水擊的產生,以達到緩閉消聲的效果。
300X緩閉止回(huí)閥利用水力(lì)自力(lì)控製,不需要其它裝置和能(néng)源,保養簡便,開啟及(jí)緩閉平穩。
300X緩閉止回閥廣泛(fàn)用於高層建築、生活區等供水管網(wǎng)係統及城市供水工程。
|
公稱壓(Mpa)
|
殼體試驗壓力(MPa)
|
密封(fēng)試(shì)驗壓力(MPa)
|
適用介(jiè)質
|
介質溫度(℃)
|
|
1.0
|
1.5
|
1.1
|
水
|
0-80
|
|
1.6
|
2.4
|
1.76
|
||
|
2.5
|
3.75
|
2.75
|
300X緩閉止回閥主要零件材(cái)料
|
零件名稱
|
零件材料
|
|
閥體 閥蓋
|
WCB
|
|
閥座 閥盤
|
銅(tóng)合金
|
|
密封圈 O型(xíng)圈
|
丁腈橡膠
|
|
閥杆
|
2Cr13
|
|
彈簧
|
50CrVA
|
|
針(zhēn)型(xíng)閥
|
銅合金
|
|
球閥
|
銅合金
|
|
浮球閥
|
銅合金
|
|
微型過濾(lǜ)器
|
不鏽鋼(gāng)
|

300X緩閉(bì)止回(huí)閥部件列表:
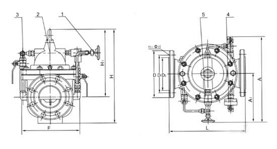
1、針閥2、主閥3、球閥(fá)4、壓力表5、單向閥
300X緩閉止回閥連接尺寸
|
DN
|
L
|
A
|
A1
|
H
|
H1
|
F
|
D
mm |
D1
mm |
D2
mm |
n-Φd
|
||||||||
|
mm
|
mm
|
mm
|
mm
|
mm
|
mm
|
PN1.0
|
PN1.6 |
PN2.5
|
PN1.0
|
PN1.6 |
PN2.5
|
PN1.0
|
PN1.6 |
PN2.5
|
PN1.0
|
PN1.6 |
PN2.5
|
|
|
20
|
180
|
282
|
200
|
172
|
106
|
116
|
105
|
105
|
105
|
75
|
75
|
75
|
58
|
58
|
56
|
4-13.5
|
4-13.5
|
4-14
|
|
25
|
180
|
282
|
200
|
172
|
106
|
116
|
115
|
115
|
115
|
85
|
85
|
85
|
68
|
68
|
65
|
4-13.5
|
4-13.5
|
4-14
|
|
32
|
180
|
282
|
200
|
172
|
106
|
116
|
140
|
140
|
140
|
100
|
100
|
100
|
78
|
78
|
76
|
4-17.5
|
4-17.5
|
4-18
|
|
40
|
240
|
320
|
210
|
265
|
210
|
170
|
150
|
150
|
150
|
110
|
110
|
110
|
88
|
88
|
84
|
4-17.5
|
4-17.5
|
4-18
|
|
50
|
240
|
320
|
210
|
265
|
210
|
170
|
165
|
165
|
165
|
125
|
125
|
125
|
102
|
102
|
99
|
4-17.5
|
4-17.5
|
4-18
|
|
65
|
250
|
330
|
215
|
310
|
215
|
180
|
185
|
185
|
185
|
145
|
145
|
145
|
122
|
122
|
118
|
4-17.5
|
4-17.5
|
8-18
|
|
80
|
285
|
350
|
220
|
350
|
245
|
210
|
200
|
200
|
200
|
160
|
160
|
160
|
133
|
133
|
132
|
8-17.5
|
8-17.5
|
8-18
|
|
100
|
360
|
410
|
230
|
460
|
305
|
275
|
220
|
220
|
235
|
180
|
180
|
190
|
158
|
158
|
156
|
8-17.5
|
8-17.5
|
8-22
|
|
125
|
400
|
420
|
245
|
520
|
365
|
310
|
250
|
250
|
270
|
210
|
210
|
220
|
184
|
184
|
184
|
8-17.5
|
8-17.5
|
8-26
|
|
150
|
455
|
430
|
260
|
570
|
415
|
355
|
285
|
285
|
300
|
240
|
240
|
250
|
212
|
212
|
211
|
8-22
|
8-22
|
8-26
|
|
200
|
585
|
440
|
280
|
695
|
510
|
460
|
340
|
340
|
360
|
295
|
295
|
310
|
268
|
268
|
274
|
8-22
|
12-22
|
12-26
|
|
250
|
650
|
450
|
300
|
780
|
560
|
500
|
395
|
405
|
425
|
350
|
355
|
370
|
320
|
320
|
330
|
12-22
|
12-26
|
12-30
|
|
300
|
800
|
460
|
320
|
902
|
658
|
580
|
445
|
460
|
485
|
400
|
410
|
430
|
370
|
370
|
389
|
12-22
|
12-26
|
16-30
|
|
350
|
860
|
470
|
340
|
1025
|
696
|
640
|
505
|
520
|
555
|
460
|
470
|
490
|
430
|
430
|
448
|
16-22
|
16-26
|
16-33
|
|
400
|
960
|
480
|
360
|
1080
|
735
|
715
|
565
|
580
|
620
|
515
|
525
|
550
|
482
|
482
|
503
|
16-26
|
16-30
|
16-36
|
|
450
|
1075
|
530
|
395
|
1030
|
610
|
780
|
615
|
640
|
670
|
565
|
585
|
600
|
532
|
550
|
548
|
20-26
|
20-30
|
20-36
|
|
500
|
1075
|
580
|
420
|
1135
|
665
|
830
|
670
|
715
|
730
|
620
|
650
|
660
|
585
|
585
|
609
|
20-26
|
20-33
|
20-36
|
|
600
|
1230
|
600
|
445
|
1270
|
725
|
920
|
780
|
840
|
845
|
725
|
770
|
770
|
685
|
685
|
720
|
20-30
|
20-36
|
20-39
|
|
700
|
1650
|
730
|
495
|
1460
|
865
|
980
|
895
|
910
|
960
|
840
|
840
|
875
|
800
|
800
|
820
|
24-30
|
24-36
|
24-42
|
|
800
|
1750
|
830
|
530
|
1640
|
925
|
1050
|
1015
|
1025
|
1085
|
950
|
950
|
990
|
905
|
905
|
928
|
24-33
|
24-39
|
24-48
|
300X緩閉(bì)止回閥安裝(zhuāng)示意圖(tú)

相關水力控製閥產品係列:






